


- Possession Start DateNov'21
- StatusCompleted
- Total Area1 Acres
- Total Launched apartments76
- Launch DateJul'15
- AvailabilityNew and Resale
- RERA ID.
Salient Features
- 3 open side properties
- Royal splendour adria in porur, chennai west by royal splendour developers is a residential project
- The project offers apartment with perfect combination of contemporary architecture and features to provide comfortable living
- Swimming pool, landscape garden, children play area, rainwater harvesting
More about Royal Splendour Adria
Royal Splendour Adria in Thandalam, Chennai offers 1, 2 and 3 BHK apartments which have a carpet area of 443 to 1,432 sq ft. The apartments are launching soon and the apartments are available only through the builder. There are a total number of 76 apartments spread across 0.85 acres. The locality is surrounded by major roads on all sides and has a number of schools, colleges, hospitals and shopping centres located nearby. Several amenities are present for the community, including a gymnasi...View more
![HDFC (5244) HDFC (5244)]()
![Axis Bank Axis Bank]()
![PNB Housing PNB Housing]()
![Indiabulls Indiabulls]()
![Citibank Citibank]()
![DHFL DHFL]()
![L&T Housing (DSA_LOSOT) L&T Housing (DSA_LOSOT)]()
![IIFL IIFL]()
- + 3 more banksshow less
Project Specifications
- 1 BHK
- 2 BHK
- 3 BHK
- Gymnasium
- Swimming Pool
- Club House
- 24 X 7 Security
- Power Backup
- Car Parking
- Jogging Track
- Children's play area
- 24X7 Water Supply
- Intercom
- Fire Fighting System
- Park
- Earthquake Resistant
- DTH Television
- Property Staff
- Landscape Garden and Tree Planting
- Vastu Compliant
- Flower Garden
- Paved Compound
- Multipurpose Hall
- Water Conservation, Rain water Harvesting
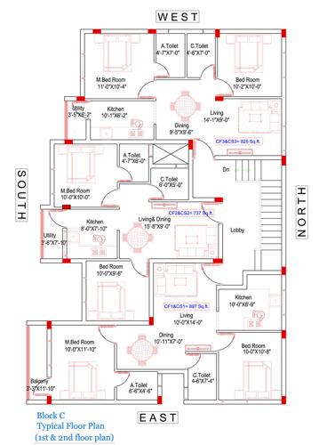
Royal Splendour Adria Gallery
Payment Plans

About Royal Splendour

- Years of experience25
- Total Projects18
- Ongoing Projects0



























